1971 Triumph Spitfire Rebuild.

Spitfire Main Page|Spitfire Electrical|SU Carb Photos|Panel Dimmer|Dash Templates|Tach Conversion|Gauge Mods|Kick Panels|Engine Fiasco|InMotion! Buttons

Mechanical To Electronic Tachometer Conversion

The object of this project was to convert a Jaeger mechanical tachometer to an electronic
tachometer, thus eliminating the drive cable from the distributor and other mechanical issues that went along with the mechanical type.

At the same time, some semblance to the original tachometer was desired. The original speedometer is a Jaeger, however the original tachometer had failed
completely. Electronic Jaeger tachometers of this vintage are not available as far as I know. Or at least I was not able to find any.

The original tachometer was disassembled.




A suitable circuit and meter movement was required. One of the more modern dual phase air core meters was used,
and a bracket to adapt the tachometer face to the meter movement was fabricated from a small piece of aluminum.

The screws used to hold the meter face are # 1-76 and the screws to hold the meter movement are # 2-56. Some of the screws in the original
mechanical meter movement were # 0-80.

The adaptor is fairly small. The .063 holes are for the face plate mounting screws.


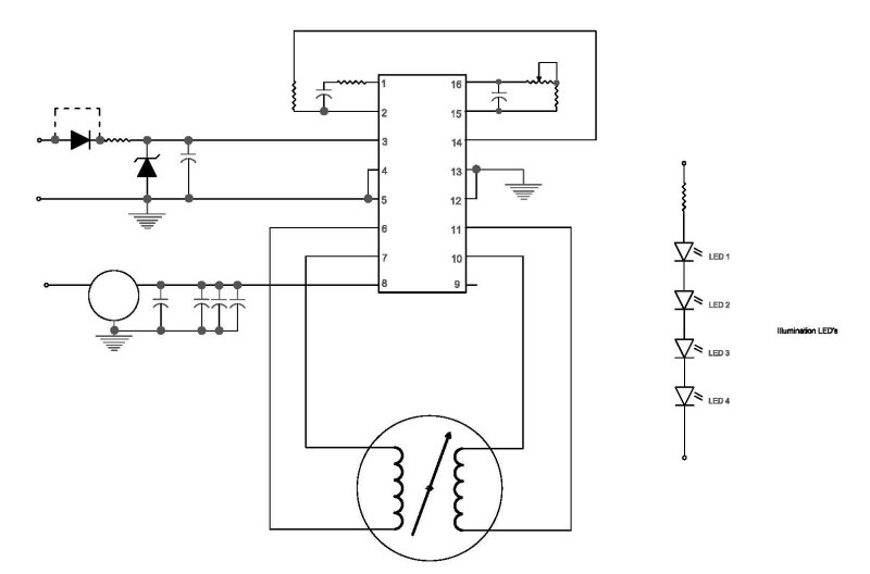
I needed a circuit to drive the air core meter, which is more correctly referred to as a motor. Modern vehicles use microprocessors
and all sorts of goodies and software that can control meter ballistics. Someone tried to convince me to use an Arduino board. My
reaction was that I was taking this far enough and software had no place in a Spitfire. (Good Grief! Next someone will want Bluetooth.)

I settled on a simple analog driver chip. The circuit is a chip and a hand full of off the shelf components.



Typically these meters are calibrated for 270 degrees full scale. In this case the original Jaeger is 260 degrees full scale.
6000 RPM is 238 degrees of movement.






4-28-2014: (No Photo) Cut and drilled tachometer circuit board. Tin plated board. Populated with components and tested.



The following photos are the tachometer insert in the process of coating the circuit board with a conformal coating.



There are 4 large clear white LED's around the edge of the board for illumination.







I thought I was having trouble with calibration as the tachometer was reading what I thought to be low, 500 RPM. In my mind
I had the engine running faster than it really was. I had set it for a smooth idle. Before the carb replacement and
the new rocker assembly it would idle smoothly at 900 or 1000 RPM. However the tach said about 500. So I substituted in
a Smiths factory electronic tach, still thinking there was a problem. It also read low, around 500 RPM. I kept convincing
myself there was something wrong. (I forgot to mention that there is a Pertronix points replacement.)

So, out came the mechanical tach and the cable to the distributor. It also read 500 RPM.
At one point I got out a frequency counter and connected it to the - side of the coil.
Where I thought there was some electrical issue, the car was actually idling smoothly at 500 RPM. I set the idle up to 850.
The tach calibration is fine, just the engine is running better.

This is the assembled unit. I used a 6 position Molex connector for interconnect.







Rear View including Molex connector.




I tried to get a photo showing the LED illumination. A couple hours
behind the wheel at night will be a real test, however it is much brighter than the original.

The red and green dots are from my camera.





For more information and construction notes Click Here  


 



Cambridge Communications and Technical Services Inc.
98 Sunny Acres Road
Jeffersonville, Vermont 05464